+86 15603181870
amy@chnhose.com
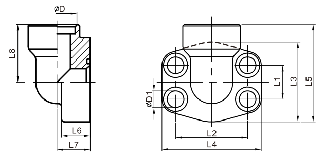
90° Elbow SAE Flange / Weld Tube
| PART NO. | THREAD | DIMENSIONS | WORKING PRESSURE | PRESSURE | |||||||||
| L1 | L2 | L3 | L4 | L5 | L6 | L7 | L8 | D1 | D | ||||
| 1FLW9-08-20W 1FLW9-08-22W 1FLW9-08-25W 1FLW9-08-28W 1FLW9-12-25W 1FLW9-12-28W 1FLW9-12-30W 1FLW9-12-35W 1FLW9-16-30W 1FLW9-16-35W 1FLW9-16-38W 1FLW9-16-42W 1FLW9-20-38W 1FLW9-20-42W 1FLW9-20-49W 1FLW9-24-38W 1FLW9-24-42W 1FLW9-24-49W 1FSW9-08-20W 1FSW9-08-25W 1FSW9-12-25W 1FSW9-12-30W 1FSW9-16-30W 1FSW9-16-38W 1FSW9-20-38W 1FSW9-20-49W 1FSW9-24-38W 1FSW9-24-49W 1FSW9-24-61W |
1/2″ 1/2″ 1/2″ 1/2″ 3/4″ 3/4″ 3/4″ 3/4″ 1″ 1″ 1″ 1″ 1.1/4″ 1.1/4″ 1.1/4″ 1.1/2″ 1.1/2″ 1.1/2″ 1/2″ 1/2″ 3/4″ 3/4″ 1″ 1″ 1.1/4″ 1.1/4″ 1.1/2″ 1.1/2″ 1.1/2″ |
17.5 17.5 17.5 17.5 22.2 22.2 22.2 22.2 26.2 26.2 26.2 26.2 30.2 30.2 30.2 35.7 35.7 35.7 18.2 18.2 23.8 23.8 27.8 27.8 31.8 31.8 36.5 36.5 36.5 |
38.1 38.1 38.1 38.1 47.6 47.6 47.6 47.6 52.4 52.4 52.4 52.4 58.7 58.7 58.7 69.9 69.9 69.9 40.5 40.5 50.8 50.8 57.2 57.2 66.6 66.6 79.3 79.3 79.3 |
46 46 46 46 50 50 50 50 55 55 55 55 68 68 68 78 78 78 46 46 55 55 65 65 78 78 94 94 94 |
54 54 54 54 65 65 65 65 70 70 70 70 79 79 79 93 93 93 54 71 71.3 71.3 81 81 95.2 95.2 112 112 112 |
60 60 60 60 63 63 63 63 70 70 70 70 85 85 85 95 95 95 60 60 70 70 85 85 95 95 110 110 110 |
16 16 16 16 19 19 19 19 19 19 19 19 22 22 22 25 25 25 16 16 18 18 22 22 25 25 25 25 25 |
20 20 20 20 24 24 24 24 28 28 28 28 34 34 34 38 38 38 20 20 28 28 34 34 38 38 42 42 42 |
37 37 37 37 38 38 38 38 43 43 43 43 51 51 51 55 55 55 37 37 43 43 51 51 56 56 65 65 65 |
9 9 9 9 11 11 11 11 11 11 11 11 11 11 11 13.5 13.5 13.5 9 9 11 11 13 13 15 15 17 17 17 |
20 22 25 28 25 28 30 35 30 35 38 42 38 42 49 38 42 49 20 25 25 30 30 38 38 49 38 49 61 |
25 16 25 16 25 16 25 16 25 16 25 16 25 16 16 21 16 16 31.5 31.5 31.5 31.5 31.5 31.5 31.5 31.5 31.5 31.5 31.5 |
3000PSI 3000PSI 3000PSI 3000PSI 3000PSI 3000PSI 3000PSI 3000PSI 3000PSI 3000PSI 3000PSI 3000PSI 3000PSI 3000PSI 3000PSI 3000PSI 3000PSI 3000PSI 6000PSI 6000PSI 6000PSI 6000PSI 6000PSI 6000PSI 6000PSI 6000PSI 6000PSI 6000PSI 6000PSI |