+86 15603181870
amy@chnhose.com
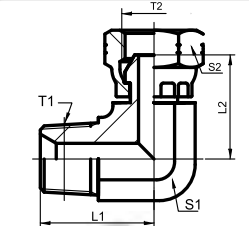
90° Elbow NPT Male / NPSM Female 60° Cone
| PART NO. | THREAD | DIMENSIONS | WEIGHT | WORKING PRESSURE | ||||
| T1 | T2 | L1 | L2 | S1 | 2 | (g) | ||
| 2NU9-04 2NU9-06 2NU9-08 2NU9-12 2NU9-16 2NU9+20 2NU9-24 |
NPT 1/4″X18 NPT 3/8″X18 NPT 1/2″X14 NPT 3/4″X14 NPT1″X11.5 NPT 1.1/4″X11.5| NPT 1.1/2″X11.5 |
1/4″X18 3/8″X18 1/2″X14 3/4″X14 1″X11.5 1.1/4″X11.5 1.1/2″X11.5 |
27.7 31 37.4 40.4 50 60.5 67 |
22.4 25.1 28.2 33 39.1 44 48 |
14 19 22 27 33 41 48 |
19 22 27 32 41 50 55 |
40 69 115 190 341 631 866 |
27.5 21 21 17 14 8 7 |